
INCH-POUND
MIL-B-18/251B
22 November 2010
SUPERSEDING
MIL-B-18/251A (ER)
28 May 1985
MILITARY SPECIFICATION SHEET
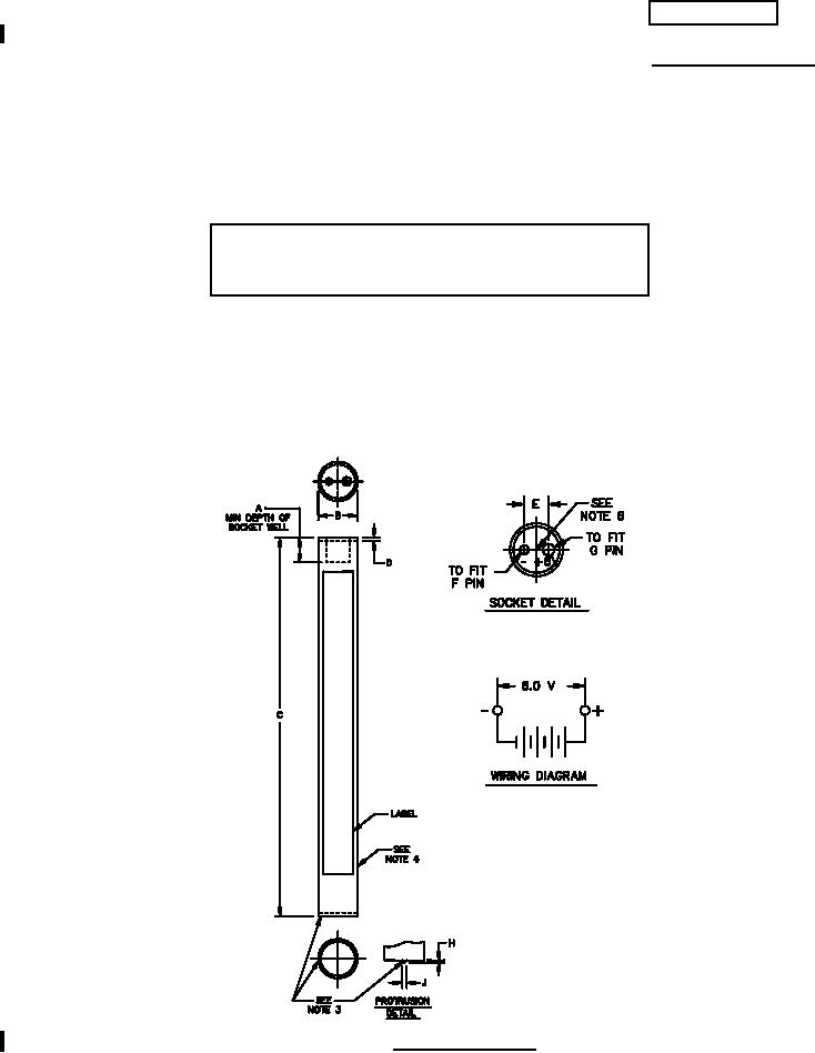
BATTERY, DRY, BA-505/U
INACTIVE FOR NEW DESIGN AFTER
15 OCTOBER 1998 AND IS NO LONGER USED,
EXCEPT FOR REPLACEMENT PURPOSES.
This specification is approved for use by all Departments
and Agencies of the Department of Defense.
The requirements for acquiring the product described herein
shall consist of this specification sheet and MIL-B-18.
FIGURE 1. Battery dimensions.
AMSC N/A
FSC 6135