
INCH-POUND
MIL-B-49030/5A
21 March 2011
SUPERSEDING
MIL-B-49030/5(EL)
22 November 1976
MILITARY SPECIFICATION SHEET
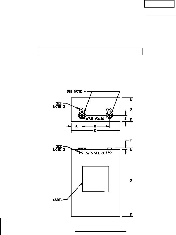
BATTERY, DRY, BA-3051/U
INACTIVE FOR NEW DESIGN AFTER 2 NOVEMBER 1998
This specification is approved for use by all Departments
and Agencies of the Department of Defense.
The requirements for acquiring the product described herein
shall consist of this specification sheet and MIL-B-49030.
FIGURE 1. Interface and physical dimensions.
AMSC N/A
FSC 6135