
INCH-POUND
MIL-PRF-49471/5A(CR)
30 November 2000
Superseding
MIL-PRF-49471/5(ER)
2 June 1995
PERFORMANCE SPECIFICATION SHEET
BATTERY, NON-RECHARGEABLE, LITHIUM SULFUR DIOXIDE,
HIGH PERFORMANCE, BA-5847/U
This specification sheet is approved for use within the Communications Electronics Command,
Department of the Army, and is available for use by all Departments and Agencies of the
Department of Defense.
The requirements for acquiring the product herein shall consist of this specification and MIL-
PRF-49471(CR).
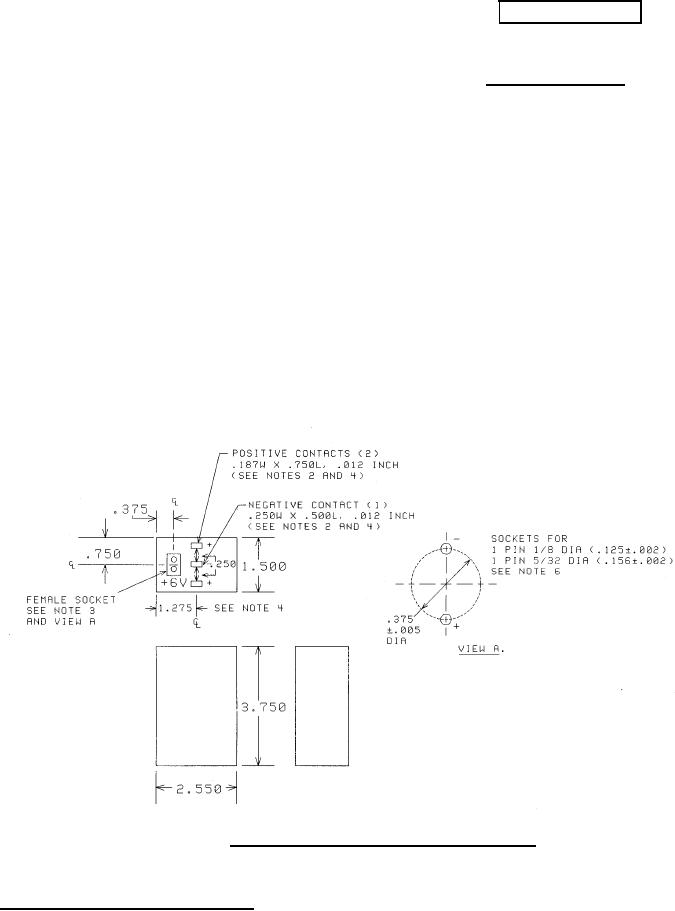
Figure 1. Battery dimensions and terminal markings.
AMSC N/A
1 of 4
FSC 6135
DISTRIBUTION STATEMENT A. Approved for public release; distribution is unlimited.
For Parts Inquires submit RFQ to Parts Hangar, Inc.
© Copyright 2015 Integrated Publishing, Inc.
A Service Disabled Veteran Owned Small Business