emilspec
An Integrated Publishing, Inc. Site
eMilSpec
An Integrated Publishing Website
MIL-PRF-49471-7 Battery, Non-Rechargeable, High Performance, Ba-X558/U
Pages
1
-
2
-
3
-
4
-
5
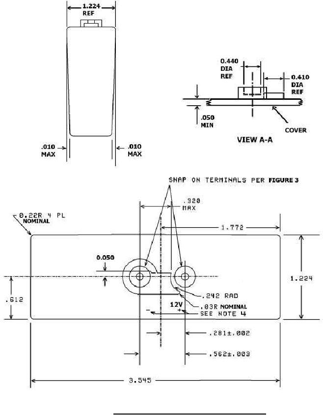
MIL-PRF-49471/7A(CR)
FIGURE
2. Battery Dimensions and Terminal Marking
2
For Parts Inquires submit RFQ to
Parts Hangar, Inc.
© Copyright 2015 Integrated Publishing, Inc.
A Service Disabled Veteran Owned Small Business